Свяжитесь с нами по электронной почте

sdepochwater@hotmail.com

Продукция
Счетчик воды для орошения
  • Счетчик воды для орошенияСчетчик воды для орошения
  • Счетчик воды для орошенияСчетчик воды для орошения

Счетчик воды для орошения

Использование: Расходомер для измерения общего объема воды, протекающей по трубопроводу.

Условия поставки:

▶Размер: DN50~DN600

▶Материал: чугунный корпус.

▶Температурный диапазон: Т30, Т50, Т90.

▶Класс давления:MAP16,MAP10

▶Потеря давления:△P63


Способ установки:

1.Горизонтальная установка.

2. Требуется дополнительный фильтр для воды.

3. Для входа/выхода водомера требуется прямой участок трубы U10/D5.


Характеристики:

1. Малое сопротивление передачи, большая пропускная способность, защита от блокировки и сильная защита от загрязнения.

2.Горизонтальный ротор, сухой, привод с магнитной муфтой.

3. Счетчик использует вакуумную герметизацию, защиту от конденсации и распыления и может сохранять показания четкими в течение длительного времени.

4. Съемная конструкция упрощает установку и обслуживание.

5. Измерительный механизм обладает универсальностью.

6. В соответствии с потребностями клиентов могут быть предоставлены устройства удаленной передачи и передачи (двойная герконовая передача/передача Холла).


Технический параметр:

DN (мм) Поток диапазон Уровень измерения Максимум расход Q4 Общий расход Q3 Граничный поток Q2 Минимум поток Q1 Минимум чтение Максимум чтение
3/1 квартал м3/ч м³
LXXG-50 2” 20 рэндов (Р25) 25 31.25 5 1.25 0.002 999, 999
LXXG-65 2/2" 40 50 8 2 0.002 999, 999
LXXG-80 3” 63 78.75 12.6 3.15 0.002 999, 999
LXXG-100 4 дюйма 100 125 20 5 0.002 999, 999
LXXG-125 5 дюймов 160 200 32 8 0.002 999, 999
LXXG-150 6 дюймов 250 312.5 50 12.5 0.002 999, 999
LXXG-200 8 дюймов 400 500 80 20 0.002 999, 999
LXXG-250 10 дюймов 630 787.5 126 31.5 0.02 9, 999, 999

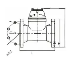
Габаритные размеры и вес:

Модель DN Длина Высота Соединительный фланец
мм Фланец внешний диаметр φD1 Количество соединительные болты Д2 Количество соединительные болты
LXXG-50 2” 200 253 165 125 4*М16
LXXG-65 2В2" 200 268 185 145 4*М16
LXXG-80 3” 225 284 200 160 8*М16
LXXG-100 4 дюйма 250 295 220 180 8*М16
LXXG-125 5 дюймов 250 310 250 210 8*М16
LXXG-150 6 дюймов 300 339 285 240 8*М20
LXXG-200 8 дюймов 350 382 340 295 8*М20(1,0МПа) 12*М20(1,0МПа)
LXXG-250 10 дюймов 450 438 395 405
12*М20(1,0 МПа) 12*М24(1,0МПа)

A.Максимально допустимая погрешность низкой области (Q1≤Q

B. Когда температура воды ≤30 ℃, максимально допустимая погрешность в верхней зоне (Q2≤Q≤Q4) составляет ± 2%. Когда температура воды> 30 ℃, максимально допустимая погрешность в высокой зоне (Q2≤Q≤Q4) составляет ±3%.






Горячие Теги: Счетчик воды для орошения
Отправить запрос
Контакты
  • Адрес

    № 112, улица Цзефан, район Лися, город Цзинань, провинция Шаньдун, Китай

  • Электронная почта

    sdepochwater@hotmail.com

Готовы поднять свой проект системы водоснабжения на следующий уровень? Отправьте запрос в Shandong Epoch Equipment Co., Ltd. и получите персональный ответ от нашей команды. Мы здесь, чтобы помочь со всеми потребностями вашей системы водоснабжения. Позвольте нам быть вашим доверенным партнером.
X
Мы используем файлы cookie, чтобы предложить вам лучший опыт просмотра, анализировать трафик сайта и персонализировать контент. Используя этот сайт, вы соглашаетесь на использование нами файлов cookie. политика конфиденциальности
Отклонять Принимать